JZ-GY(J)-303中間繼電器_JZ-GY(J)-303繼電器_外形尺寸圖
中間繼電器系列
JZ-GY(J)-303端子排靜態中間繼電器概述
JZ-GY(J)-303端子排靜態中間繼電器用于各種保護和自動控制線路中,以增加保護和控制回路的觸點數量和觸點容量。JZ-GY(J)-303端子排靜態中間繼電器由電子元器件和精密小型繼電器等構成, 是電力保護中間繼電器更新換代**產品,繼電器有以下特點:
1、本繼電器采用線圈電壓較低的多個優質密封小型繼電器組合而成,防潮、防塵、不斷線,可靠性高,克服了電磁型中間繼電器導線過細易斷線的缺點。
2、功耗小,溫升低,不需外附大功率電阻, 35mm卡軌安裝、接線方便。
3、繼電器觸點容量大,工作壽命長。
4、繼電器動作后有發光管指示,便于現場觀察。
JZ-GY(J)-303端子排靜態中間繼電器型號分類及含義

JZ-GY(J)-303端子排靜態中間繼電器技術要求
1、額定值:額定電壓DC/AC48V, 110V, 220V, AC380V;
2、動作值:動作電壓直流應不大于額定電壓70% ,交流應不大于額定電壓75% ;
3、返回值:返回電壓應不小于10%額定電壓;
4、動作時間和返回時間大不于20ms;
5、觸點容量:在電壓不超過250V,電流不超過1A,時間常數為5ms±0.75ms直流有感負荷電路中,斷開容量為50W;在電壓不超過250V,電流不超過5A,功率因數為cosΦ=0.4±0.1的交流電路中,斷開容量為500VA。輸出觸點在上述規定的負荷條件下,產品能可靠動作及返回5x104次。輸出觸點長期允許接通電流為5A;
6、功率消耗:在額定電壓不大于5W/5VA;
7、絕緣耐壓:繼電器所有電路對外殼及非帶電金屬部分,以及在電氣上無聯系的各電路之間耐受交流50HZ,電壓KV歷時1分鐘試驗無擊穿。
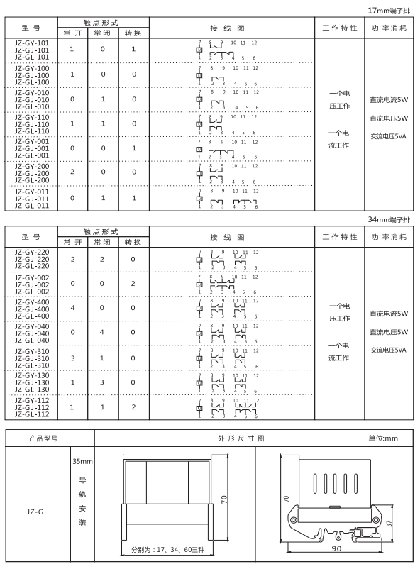
JZ-GY(J)-303端子排靜態中間繼電器參數及內部端子外引接線圖

JZ-GY(J)-303端子排靜態中間繼電器尺寸圖





打印當前頁
發郵件給我們: 1932551438@qq.com
手機: 18930817953




