ZJ6中間繼電器應用范圍
ZJ6中間繼電器用于交流操作繼電保護裝置中作為輔助繼電器,直接接于電流互感器二次回路中并由其它繼電器接點控制。
ZJ6中間繼電器主要技術數據
●額定動作電流:2.5A、5A。
●長期工作電流:10A。
●動作時間:不大于0.05s。
●功率消耗:不大于6VA。
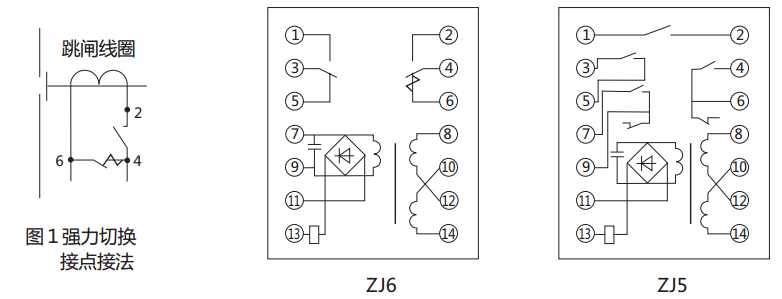
●接點形式:ZJ5四常開、ZJ6一切換一強力切換。
●如被控電路系由變流器供電,且當電流為3.5A時,其阻抗不大于4.5Ω,強力切換接點在電流到150A的情況下,能分流斷開跳閘線圈。為消除當常閉接點沒有閉合好時可能引起開關誤動作,強力切換接點采用圖1接法。
●一般接點容量:當交流電流小于2.5A和電壓低于220V時能斷開450VA;當交流電流小于15A和電壓小于220V時能接通1000VA。長期接通電流為5A。
ZJ6中間繼電器內部接線圖及外引接線圖(正視圖)

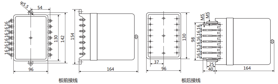
ZJ6中間繼電器安裝及開孔尺寸



中間繼電器系列
打印當前頁
發郵件給我們: 1932551438@qq.com
手機: 18930817953




