JY-43A電壓繼電器開孔尺寸及參數-上海上繼科技有限公司
發表時間:2019-07-29 09:43 瀏覽次數:794 〖返回〗
一、JY-43A電壓繼電器的概述
電壓繼電器是一種電子控制器件,它具有控制系統(又稱輸入回路)和被控制系統(又稱輸出回路),通常應用于自動控制電路中,它實際上是用較小的電流去控制較大電流的一種“自動開關”。故在電路中起著自動調節、安全保護、轉換電路等作用。主要用于發電機、變壓器和輸電線的繼電保護裝置中,作為過電壓保護或低電壓閉鎖的啟動原件。
二、JY-43A電壓繼電器的參數
1、輔助電源:AC、DC、100~220V
2、過載能力:交流回路允許長期接通1.2倍額定值。
3、電壓整定范圍1~240V,40~440V,級差1V。
4、功率消耗:
a、交流回路功耗小于1VA(交流額定值100V時)
b、直流回路功耗:見下表

5、整定誤差
a、整定值在1V-440V范圍內,整定平均誤差的絕對值不大于3%,平均誤差=(5次測量平均值-整定值)/整定值×100%。
b、在基準條件下,同一整定值上測量的5次動作值的**值和最小值應不大于的4%。
c、在-10℃~50℃的溫度下,任一整定點誤差的絕對值應不大于整定值的4%。
d、在輔助電壓80~110%變化范圍內,任一整定值整定誤差的絕對值應不大于4%。
6、動作時間
a、過電壓繼電器:1.2倍整定值的動作時間不大于25ms;2倍整定值的動作時間不大于20ms;
b、低電壓繼電器:0.5倍整定值的動作時間不大于20m。
7、返回系數
a、過電壓繼電器返回系數為0.85~0.95;
b、低電壓繼電器返回系數為1.02~1.12;
8、返回時間:不大于27ms。
三、JY-43A電壓繼電器的原理
電壓繼電器分為凸出式固定結構,凸出式插拔式結構,嵌入式插拔結構,導軌式結構等,并有透明的塑料外罩(導軌式為全封閉式),用薄碼進行整定。
當被測量的交流電壓經隔離變壓器降壓后得到與被測電壓成正比的電壓Ui,經整定后進行整流,整流后脈沖電壓經濾波器濾波,得到與Ui成正比的直流電壓Uo,在電平檢測中Uo與直流參考電壓Ue進行比較,若直流電壓 Uo 高于參考電壓,電平檢測器輸出正信號,驅動出口繼電器,則本繼電器處于動作狀態。反之,不論是過電壓繼電器或是低電壓繼電器,若直流電壓 Uo 低于參考電壓Ue,電平檢測器輸出負信號,本繼電器處于不動作狀態。
四、JY-43A電壓繼電器的介質強度
繼電器各導電電路連在一起與外露的非帶電金屬部分及外殼之間,能承受2kV(有效值)、50Hz的交流電壓歷時1min的試驗,而無絕緣擊穿或閃絡現象。
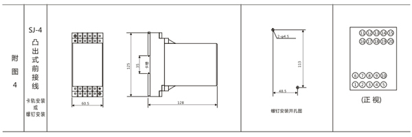
五、JY-43A電壓繼電器的開孔尺寸

公司介紹:上海上繼科技有限公司是一家專業從事電力系統繼電保護及智能電網電力自動化產品的研發、設計、生產、銷售和服務為一體的高科技公司。擁有資深繼電保護專家團隊和國內**的檢測儀器及校驗設備。同時還引用國內外先進技術,來進行技術創新。本公司的產品廣泛用于電力、工礦、鐵路、建筑等國家重大工程輸配變電系統上,產品遠銷東南亞及中東地區。產品通過國家繼電保護及自動化設備質量監督檢驗中心檢測,獲得ISO-9001:2000國際質量體系認證?!翱萍紕撔?,誠信務實”是公司的經營理念,本公司以高超的技術支持和對用戶高度負責的售后服務贏得了輸配電成套企業的信賴,且樹立了良好的信譽。
上海上繼科技有限公司(專注電力保護繼電器生產廠家)銷售熱線:021-57233089 QQ:1932551438
{以上內容僅供參考,上海上繼科技有限公司有最終解釋權}
更多繼電器精彩文章——JY-32A電壓繼電器原理及開孔尺寸
- 上一篇:JY-42B電壓繼電器參數及接線圖
- 下一篇:JY-43B電壓繼電器接線圖及開孔尺寸





