DY-4負序電壓繼電器接線圖與開孔尺寸-上海上繼科技有限公司
發表時間:2019-04-16 10:35 瀏覽次數:1182 〖返回〗DY-4負序電壓繼電器應用范圍:
DY-4負序電壓繼電器用于發電機和變壓器的繼電保護線路中,作為電壓閉鎖元件,它反應不對稱故障時線路電壓的負序分量。
DY-4負序電壓繼電器主要技術參數:
●額定電壓:線電壓100V、173V、50Hz。
●整定范圍:6~12V、10.4~20.8V。
●返回系數:不小于0.8。
●功率消耗:不大于20VA。

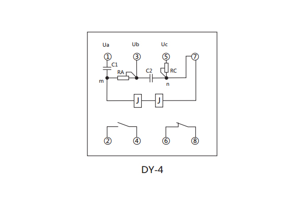
DY-4負序電壓繼電器內部接線及外引接線圖:

DY-4負序電壓繼電器外形尺寸及開孔尺寸:

上海上繼科技有限公司(專注電力保護繼電器生產廠家)銷售熱線:021-57233089 QQ:1932551438
{以上內容僅供參考,上海上繼科技有限公司有最終解釋權}
更多繼電器精彩文章——ZC-23沖擊繼電器的接線圖與開孔尺寸





