DT-13/120同步檢查電器的說明書-上海上繼科技有限公司
發表時間:2019-04-15 09:15 瀏覽次數:985 〖返回〗DT-13/120同步檢查繼電器產品概述:
DT-13/120同步檢查繼電器用于兩端供電線路的自動重合閘線路中,其作用在于檢査線路上電壓的存在及線路上和變電站匯流排上電壓向量間的相角差。
·返回系數:不大于0.8。在額定電壓下,當電壓向量間的相角差在20°~40°范圍內時繼電器動作;
·功率消耗:不大于3.5VA。
·介質強度:導電部分對于非帯電金屬的介質強度耐受50Hz交流電,電壓2KV歷時1min。
·觸點容量當電壓為在220V以下電流在2A以下時. 在具有電感性負荷的直流電路(時間常數為5±0.75 ms)中觸點的斷開功率為50W;在交流電路中觸點的斷開功率為250VA
DT-13/120同步檢查繼電器接線圖:

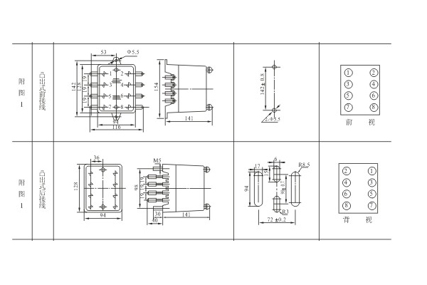
DT-13/120同步檢查繼電器尺寸圖:

上海上繼科技有限公司(專注電力保護繼電器生產廠家)銷售熱線:021-57233089 QQ:1932551438
{以上內容僅供參考,上海上繼科技有限公司有最終解釋權}
更多繼電器精彩文章——DX-15A/D信號繼電器的開孔尺寸





